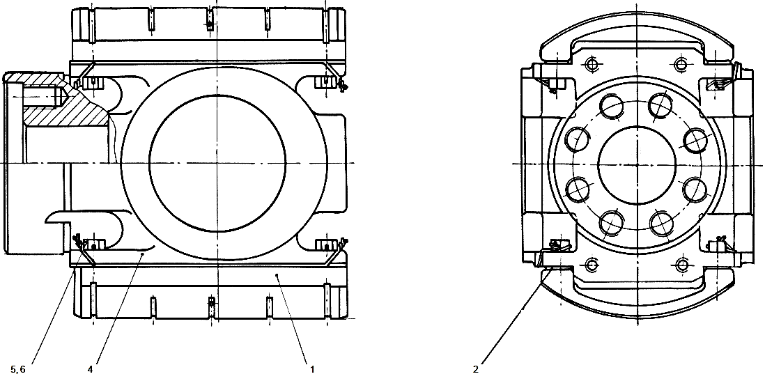
КРЕЙЦКОПФ, ПОЛЗУН

  • Поз.ОбозначениеНаименованиеКол-во
  • 2401-2303Крейцкопф с ползуном
  • 12401-2301Ползун2
  • 22401-2302Комплект прокладок4
  • 42401-230001-1Корпус крейцкопфа1
  • 52401-230005-1Болт8
  • 62401-230006Проволока 2-0-С ГОСТ 3282 L=15Q8
Запрсить цену