KREITSKOPF, POVZUN

  • Pos.
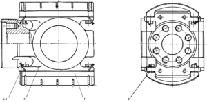
  • 2401-2303 Kreutzkopf with slider
  • 12401-2301 Slider2
  • 22401-2302Set of gaskets4
  • 42401-230001-1 Crosshead housing1
  • 52401-230005-1Bolt8
  • 62401-230006 Wire 2-0-С GOST 3282 L=15Q8
  • Kreutzkopf, slider – a part of a crank-slider mechanism that makes reciprocating motion along fixed guides. It is intended for connecting the piston and connecting rod in the cross-head mechanism. At the same time, the piston is rigidly connected to the crosshead with the help of a rod. Such a joint allows the piston to be unloaded from the normal force, as its action in this case is transferred to the crosshead. Such a connection scheme makes it possible to create a second working cavity in the cylinder under the piston. At the same time, the rod passes through the oil seal in the lower cover of the cylinder, which ensures the necessary tightness.
Request price