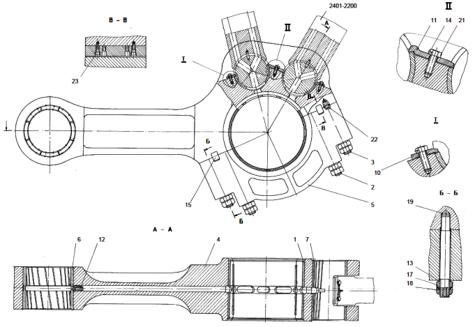
ШАТУН КОМПРЕССОРА

  • Поз.ОбозначениеНаименованиеКол-во
    2401-2210Шатун компрессорный
    12401-2212Вкладыш шатунный2
    22401-2213Шпилька L=3454
    32401-2214Шпилька L=2824
    42401-221001Шатун компрессорный1
    52401-221002 Крышка шатуна1
    62401-221003Втулка шатуна1
    72401-221004Втулка прицепного шатуна1
    102401-221007Скоба2
    112401-221003Скоба1
    122401-221009Ниппель1
    132401-221010Шайба8
    142401-221011Проволока 1,6-0-С ГОСТ 3282 L=2503
    152401-221012Шпонка2
    174401-230016-1Г айка8
    184401-230017-1Контргайка8
    194681-0049-02Контргайка упругая8
    21НК-017-1Болт 3М10-6g х 30.66 ГОСТ 779В6
    22НК-086Штифт 12к6х321
    23НК-0213-1Винт М6-6g х 35.66 ГОСТ 1173В4
    Шатун компрессора – это деталь кривошипно-шатунного механизма. Шатун преобразует вращательное движение коленчатого вала в возвратно-поступательные движения поршня.
Запрсить цену